一.沖壓加工的重要性及優點。
1.重要性:沖壓工藝應用范圍十分廣泛,在國民經濟的各個部門中,幾乎都有沖壓加工產品。如汽車, 飛機,拖拉機,電器,電機,儀表,鐵道,郵電,化工以及輕工日用產品中均占有相當大的比 重。
2.優點:1)生產率高。2)精度高,質量穩定。3)材料利用率高。4)操作簡便,特別適宜于大批量 生產和自動化。
二.沖壓加工的概念。
1. 概念:即利用壓力機及其外部設備,通過模具對板材施加壓力,從而獲得一定形狀和尺寸零件的 加工方法。
沖壓加工的三要素:沖床,模具,材料。
沖壓是生產中應用廣泛的一類加工方法,主要用于金屬薄板料零件的加工。在產品零件的整個生產系 統中,沖壓只是一個子系統,所涉及的也僅是產品制造過程的一部分。隨著市場對產品成本和周期等要求 的提高,從系統的整體優化中確定相關的各要素已成為技術和管理發展的重要方向。
影響沖壓加工的因素:

三.沖壓工序的分類。
沖壓工藝按其變形性質可以分為材料的分離與成形兩大類,每一類中又包括許多不同的工序。
沖壓的基本工序:
1.沖裁:包括落料和沖孔兩個工序。
1)落料:模具沿封閉線沖切板料,沖下的部分為工件,其余部分為廢料,設計時尺寸以模仁為準, 間隙取在沖子上;鋁合金鍛件
2)沖孔:模具沿封閉線沖切板料,沖下的部分是廢料,設計時尺寸以沖子為準,間隙取在模仁上。
2.剪切:用模具切斷板材,切段線不封閉.
3.切口:在坯料上將板材部分切開,切口部分發生彎曲.
4.切邊:將拉深或成形后的半成品邊緣部分的多余材料切掉。
5.剖切:將半成品切開成兩個或幾個工件,常用于成雙沖壓。

6.彎曲:用模具使材料彎曲成一定形狀(V 型/U 型/Z 型彎曲)。
7.卷圓:將板料端部卷圓。
8.扭曲:將平板的一部分相對于一部分扭轉一個角度。

9.拉深:將板料壓制成空心工件,壁厚基本不變。
10.變薄拉深:用減小直徑與壁厚,增加工件高度的方法來改變空心件的尺寸,得到要求的底厚,壁薄的 工件。
11.孔的翻邊:將板料或工件上有孔的邊緣翻成豎立邊緣。

12.外緣翻邊:將工件的外緣翻起圓弧或曲線狀的豎立邊緣。
13.縮口:將空心件的口部縮小。
14.擴口:將空心件的口部擴大,常用于管子。

15.起伏:在板料或工件上壓出筋條,花紋或文字,在起伏處的整個厚度上都有變薄。
16.卷邊:將空心件的邊緣卷成一定的形狀。
17.脹形:將空心件(或管料)的一部分沿徑向擴張,呈凸肚形。

18.旋壓:利用趕棒或滾輪將板料毛坯趕壓成一定形狀(分變薄與不變薄兩種)。鋁合金鍛件
19.整形:把形狀不太準確的工件校正成形。
20.校平:將毛坯或工件不平的面或彎曲予以壓平。

21.壓印:改變工件厚度,在表面上壓出文字或花紋。
22.正擠壓:凹模腔內的金屬毛坯在凸模壓力的作用下,處于塑性變形狀態,使其由凹模孔擠出,金屬流 動的方向與凸模運動方向相同。
23.反擠壓:金屬擠壓過程中,沿凸模與凹模的間隙塑流,其流動方向與凸模運動方向相反。
24.復合擠壓:正擠與反擠的結合。

四.冷沖模類型和特點。
1.模具分類(按沖壓工序的組合方式分)。
1)單沖模:在模具上只有一個加工工位,而且在沖床的一次行程中只完成一類沖壓加工工藝。
2)復合模:在模具上只有一個加工工位,在沖床的一次行程中完成兩類以上的加工工藝。
3)級進模:有多個工位組成,各工位完成不同的加工,各工位順序關聯,在沖床的一次行程中 完成一系列不同的沖壓加工。

2.級進模特點:
1)沖壓生產效率高。級進模可以完成復雜零件的沖裁、翻邊、彎曲、拉深、立體成形以及裝配等工藝, 減少了中間轉運和重復定位等工作,而且工位數量的增加不影響生產效率,可以沖制很小的精密零件。
2)操作安全簡單。級進模沖壓時操作者不必將手伸入模具的危險區域。對大量生產,還采用自動送料 機構,模具內裝有安全檢測裝置。鋁合金鍛件
3)模具壽命長。復雜的內形和外形可分解為簡單的凸模和凹模外形,分段逐次沖切,工序可以分散在 若干個工位,在工序集中的區域還可以設置空位,從而避免了凸、凹模壁厚過小的問題,改變了凸、凹的受力狀態,提高了模具強度。此外,級進模還采用卸料板兼作凸模導向板,對提高模具壽命也非常有利。
4)產品質量高。級進模在一副模具內完成產品的全部成形工序,克服了用簡單模時多次定位帶來的操 作不變和累積誤差。
5)生產成本較低。級進模由于結構比較復雜,所以制造費用較高,同時材料利用率較低,但由于級進 模生產效率高、壓力機占有數少、需要的操作工人數和車間面積少,減少了半成品的儲存和運輸,因而產 品零件的綜合生產成本并不高。
6)設計和制造難度大,對經驗的依賴性強。級進模結構復雜,技術含量高,設計靈活性大、難度大; 設計和制造中的經驗、推斷和目測工作量多,人才培養時間長,個人之間的差異大;同一產品零件可有多 種不同的設計方案,設計的靈活性大;設計和制造周期長,費用高,適用于批量生產。級進模還受產品零 件尺寸限制,產品尺寸不宜太大。
7)按訂單生產,而不是按計劃生產,訂貨受市場影響大,交貨期要求短。鋁合金鍛件
五.級進模的功能
功能:級進模的基本功能是利用凸模和凹模在板料上施加一定形式和大小的作用力,使材料產生塑性 變形,從而將毛胚轉變為產品零件的能力。

六.級進模的設計方法。
1.級進模設計流程。
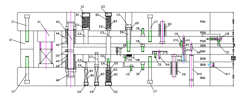
級進模設計也是一個系統,其流程如圖 1-8 所示。具體可以分為四個階段:工藝設計、排樣、概要設 計、結構設計、零件設計。
1)工藝設計:即是對產品零件所包括的成形工序逐一進行分析,以確定產品零件的加工工藝方案。工 藝設計前應充分了解產品零件的要求及實際的生產條件。
2)排樣與概要設計以工藝設計可行為前提,具體確定級進模加工產品零件時的工序方案和模具的基 本結構形式,初步給出模具的估價和制造周期,確定是否繼續開展模具詳細的設計和制造。
3)結構設計和零件設計就是為級進模正式投入生產而具體地開展的設計,在這一階段部分模具零件 的加工也將同期展開。結構設計與零件設計的結果是模具裝配圖、需加工的模具零件的工程圖。
2.設計注意事項。
1)要用系統的觀點,從沖壓、模具制造等多方面構成的大系統中確定級進模的結構和零件方案,要 重視實踐經驗的作用。要切合實際,確立切實可行的模具方案,同時要考慮現有的模具制造條件、沖壓生 產條件。鋁合金鍛件
2)級進模結構復雜,設計難度大,制造費用高,周期長,因此設計應堅持科學、嚴謹、求實的精神,認真分析、詳細規劃,務求設計合理、制造方便、滿足使用要求。要充分了解產品零件加工的需求和模具 制造和使用條件,表 1-5 是級進模設計前應掌握的數據。表 1-6 是級進模設計時的規劃表。
3)模具設計和制造具有技術密集型的特點,設計和制造密切相關。隨著產品市場競爭的加劇和計算 機技術的發展,產品制造周期日益縮短,對模具設計和制造周期的要求也愈來愈短,因此,模具設計和制 造的交叉并行已成為必然。



第二章 級進模結構設計
模具的優劣在很大程度上體現在模具結構上,因此,級進模結構設計對模具的工作性能、加工性、 成本、周期及壽命等起著決定性作用。
第一節 級進模結構設計
一 、級進模結構
1.從總體角度來看,級進模結構基本上可分為兩大類:日本式模具結構和美國式模具結構。
1)日本式模具結構:利用卸料板壓料(常見模具結構)。
優點:壓料可靠,模具生產時穩定性好;
缺點:噪音大。
2)美國式模具結構:沒有卸料板,采用局部壓料(兩者根本區別)
優點:噪音小,速度高;
缺點:壓料不是很可靠。鋁合金鍛件
2.級進模的構成。


二 結構設計原則.
1.盡量選用成熟的模具結構或標準結構。
2.模具要有足夠的剛性,以滿足壽命和精度的要求。
3.結構應盡量簡單、實用,要具有合理的經濟性。
4.能方便地送料,操作要簡便安全,出件容易。
5.模具零件之間定位要準確可靠,連接要牢固。
6.要有利于模具零件的加工。
7.模具結構與現有的沖壓設備要協調。
8.模具容易安裝,易損件更換方便。
三 模具基本尺寸
1. 模具平面尺寸
模具平面尺寸是指模具輪廓最大尺寸,它以凹模外形尺寸為基礎,以最終選擇的模架尺寸為準。
2. 模具閉合高度
模具閉合高度是指模具處在最低點的工作位置時,上模座的上表面到下模座的下表面之間的距離。即 為模具各塊模板厚度之和。
壓力機閉合高度是指壓力機滑塊在下死點時,滑塊底面到壓力機工作臺面上平面的距離。由于多數 壓力機滑塊高度可上下調節,當壓力機連桿調至最短時的閉合高度稱為壓力機最大閉合高度 Hmax,而當壓 力機連桿調至最長時的閉合高度稱為最小閉合高度 Hmin。
為了保證模具能裝在壓力機上工作,模具閉合高度必須小于壓力機閉合高度。最好 H位于 Hmin和 Hmax 之間,一般應滿足
Hmin+10≤H≤Hmax-5鋁合金鍛件
第二節 工作零件設計
一. 凸模的結構設計(考慮凸模的強度、剛性):
1. 凸模的分類:
1) 按凸模斷面形狀可分為簡單形狀和復雜形狀兩種;
2) 按刃口形狀可分為平刃、斜刃和其它專用凸模;
3) 按固定方法可分為臺階固定、螺釘固定、壓板固定等;
4) 按結構形式可分為整體式、鑲拼式、直通式、階梯式和帶護套式。
2. 凸模結構的基本形式。
1)圓凸模(標準件)。




2)機械加工凸模。
凸模的加工方法一般有線割和磨削:
W/C—線割; G—磨床; PG—光學曲線磨床
1°線割加工異形凸模,凸模內 R≥0.150 較好,因線割絲的直徑取Φ0.20mm 和Φ0.30mm 加工較經 濟;線割的零件表面光潔度不高,加工零件的使用壽命沒有磨削來得高;
2°細小凸模設計成上頭小下頭大,以保證零件強度要求;規則形狀用磨床加工,R 取 10mm 或 20mm; 不規則形狀用 PG 加工 R 取 40mm;


3. 凸模的導向(卸料板)。
卸料板在對階梯型凸模、PG 加工之凸模導向時,要確保在模具處于最大閉合高度時,剝料板與 凸模的最小重疊部分長度不小于 3~5mm。
4.凸模上的閃位:
1)產品上的凸起; 2)模仁
5.沖裁凸模長度的確定:鋁合金鍛件
凸模長度=PP 板厚度+SBP 板厚度+SP 板厚度+(1~2mm)
二.入子設計:
1.沖子固定板入子
目的:便于改模;便于更換料號。
設計要點:1)形狀力求簡單,便于加減墊片;
2)要具有防呆功能;
3)與固定板單邊間隙 0.01mm;與沖子單邊間隙 0.01mm。
2.卸料板入子
目的:便于改模;便于更換料號;磨損了可以更換,即提高模具壽命。
設計要點:1)要具有防呆功能;
2)與卸料板單邊間隙 0mm;與沖子單邊間隙一般取 0.005mm;沖子外形復雜或外形尺 寸大時單邊間隙可放寬到 0.008mm—0.010mm。
固定方式:1)倒角 2)靠肩
閃位:導板,產品上的凸起。
三.模仁設計.
沖裁模仁
1.加工方式一般有線割加工和 PG 加工兩種。
1)線割加工模仁:直刀面 2~3mm,落料斜度一般取 1°,線割表面粗糙,沖細小廢料之模仁 易堵料;
2)PG 加工模仁:將模仁設計成分體式,直刀面 2~3mm,落料斜度一般取 30',表面光潔度好。
2.沖裁間隙:一般取沖裁單邊間隙為(3~5%)*t;具體取值大小還要視材質,料厚,廢料形狀及模仁材質而定;同加工方式也有關。
1) 線割加工選取間隙要比 PG 加工大;鋁合金鍛件
2) 被加工材料脆、硬;沖裁間隙適當放大;
3) 模仁材質為 SKD11 時沖裁間隙要比是硬質合金來的小;
4) 廢料形狀簡單沖裁間隙要取小;以防跳屑。
3.固定方式:1)壓板、螺釘壓住(特別是針對抽引模仁);
2)分體式模仁用斜鍥閉緊;
3)導板壓住。
4.模仁壁厚設計注意事項:1)加減墊片的方便性;
2)足夠強度。
5.模仁設計要具有防呆功能。
成形模仁
1. 成形凸模與模仁的間隙為一個料厚 t;
2. 固定方式:1)螺釘壓住; 2)導板壓住; 3)靠肩(不易維修)。
第三節 輔助零件設計
一 、連接零件:起連接緊固模具的各塊模板作用;通常用到 M6,M8,M10 螺釘。
1.墊板連接:
2.沖子固定板及模仁固定板連接:


3.卸料板的連接:
組成元件:M8 螺釘、墊圈、等高套筒。

二 定位零件:
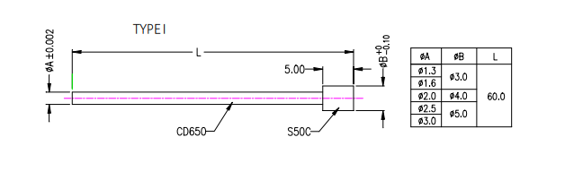
1.定位銷(MISUMI STANDARD)
1)導板相對于 DP 板的定位,定位銷規格 MS 4-15;
2)DP 板相對于下模座的定位,定位銷規格 MS 10-60;
2.導正銷:多用于連續模中對條料的精確定位,消除由于送料而引起的誤差;與預沖工藝孔單 邊間隙一般取 0.010mm;料厚大于 1mm 時間隙可適當放大;
固定方式:鋁合金鍛件
1) 固定在卸料板上:
脫料方式:1°導正銷兩側對稱設計頂桿,下模設有浮料銷;
2°采用導料板強行脫料;
3°借用 LIFTER 脫料;
4°設計月牙型剝料套,
下模設有浮料塊;
5°借用導正銷的錐面定位。
2)固定在沖子固定板上:
缺點:1°容易磨損;
2°要借用脫料裝置。



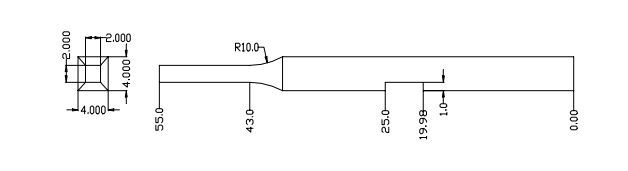
3.定距側刃:
側刃是用來切去條料旁側少量材料而達到擋料的目的, 起粗定位作用;多用于導板式模具。

1°側刃沖子單邊受力,設計時對面要考慮限位,以保證沖裁間隙的不變性及提高側刃沖子的壽命;
2°側刃沖子的長度=送料進距+(0.10~0.20mm)。
4.灌膠 PIN:(具體尺寸見標準件清冊)
對 PP 板及 DP 板起快速定位作用,提高模具維修的方便性。
1) PIN 與 DP 板、PP 板采用小過盈配合;

2) PIN 套與模座單邊間隙 0.10mm,借用 LOC638 膠來膠固;
三 導料零件
導料板
1.功能:1)對料條起導向作用; 2)剝料作用。
2.與條料單邊間隙。
3.導料板高度的確定。


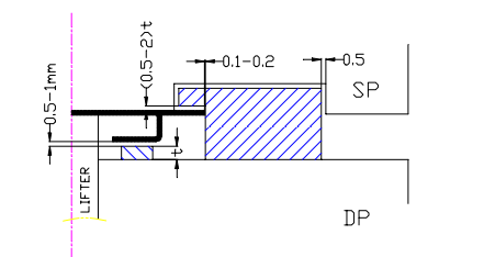
Lifter(標準件)
1.功能:1)浮料 2)對料條導向 3)脫料
2.形狀:圓形和方形;
3.設計要點:1)Lifter 與模板單邊間隙 0.01mm;
2)Lifter 分布要均勻,等高;鋁合金鍛件
3)Lifter 與材料單邊間隙 0.10mm;
4)Lifter 上升高度小于沖床行程的一半(沖床滑塊于 270°~90°間是送料時間,送料時,成形 沖子、導位針不能與料條干涉)。
卸料板閃 LIFTER 深度 H:
5.0≤H≤5.0+A
式中:A=t+1.0 A≥1.5mm


四 傳力零件
1. 傳力零件的組成:螺塞、墊片、強力彈簧、傳力銷(DISK);
2. 傳力零件組裝結構:見圖;
3. 設計要點:
1)傳力銷要等高;
2)傳力銷要比等高套筒 短 0.10mm(保護鎖剝料板螺釘);
3)傳力銷的布置要多、均勻 且靠近料條兩側以保證壓料充分。

五 檢測裝置
六 其它零件
1.壓板:固定沖子和模仁(具體形狀、尺寸見標準件清冊);
2.止高塊:對模具起保護作用(具體形狀、尺寸見標準件清冊);
3. 限位柱:初始送料時對模具起保護作用,當被沖板材較厚時 采用(t≥0.5)
4.浮料塊:1)浮料; 2)局部壓料。
5.浮料銷:1) 浮料; 2)空中接料

對于本文有不了解 不明白的地方,歡迎聯系我們探討!
廣東洪久精密鍛造有限公司專注鋁合金熱鍛、冷鍛、3D鍛造、CNC加工技術。鋁合金鍛件免費報價,可來圖來樣定制,歡迎來電咨詢。 免責聲明:本文系網絡轉載,版權歸原作者所有。但因轉載眾多,無法確認真正原始作者,故僅標明轉載來源。如涉及作品版權問題,請與我們聯系,我們將根據您提供的版權證明材料確認版權并按國家標準支付稿酬或刪除內容!本文內容為原作者觀點,并不代表本司觀點和對其真實性負責。